| 产品名称: | QL-N天馈浪涌保护器 | |
| 产品品牌: | 大恒 | |
| 产品型号: | QL-N | |
| 产品规格: | N型 | |
| 产品颜色: | 银灰色 | |
| 产品参数: | 1.标称工作电压UN:18VDC
2.标称放电电流In(8/20μs):5KA |
|
| 产品优势: | 1.通流容量大,反应速度快;
2.高传输频率,插入损耗小; |
| 商务咨询:18050030838 营销咨询:18650807117 |
QQ:540304518 QQ:1615352551 |
||
| 销售咨询:0592-5764230,0592-5764219 技术支持:0592-5764228,18106937880 售后服务:400-107-0019,18106937876 公司传真:0592-5764098 公司邮箱:taihang@taihang.cc |
|||
● 通流容量大,反应速度快;
● 高传输频率,插入损耗小;
● 低的衰减系数,不影响系统性能;
● 驻波比极低,不干扰系统正常工作;
● 工作频带宽,性能稳定,工作可靠;
● 体积小、结构简单、安装方便,无需特殊维护;
● 可按用户要求订制各种规格的控制线路防雷器;
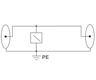
大恒QL-N天馈防雷器系列产品(天馈浪涌保护器),依据IEC通信防雷标准设计,采用N型公、母接口方式,连接方便可靠,具有通流容量大,反应速度快的特点,能有效确保信号的正常传输。保护器使用等电位连接技术,串联连接在系统进线与被保护的设备之间,当受到浪涌冲击时,浪涌电流通过保护器泄放到大地,保护器将输出电压限制在设备安全允许的数值内。浪涌保护器经受浪涌冲击放电后能回到初始状态,无需特别维护。
大恒QL-N信号级浪涌保护器适用于无线通信设备天馈线路的防雷保护,保护电子设备的安全,使其免遭由天馈线引入的感应雷击、电源异常及静电放电等过电压造成的损坏。如:卫星天线、微波、有线电视、短波、超短波、移动通信设备等。
工作原理天馈浪涌保护器连接在天线与被保护的设备之间,当受到雷击时,雷电流通过保护器的雷电支路泄放到大地,从而保护相关设备避免遭雷击。 |
|
|
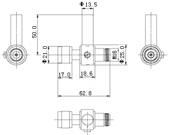
型号规格 |
QL-N |
|
标称工作电压UN |
18VDC |
|
最大持续运行电压UC |
24VCD |
|
标称放电电流In(8/20μs) |
5KA |
|
电压保护水平UP |
≤55V |
|
驻波比 |
≤1.2 |
|
插入损耗 |
≤0.5dB |
|
响应时间 |
<1ns |
|
接口方式 |
N(50Ω)JK |
|
频率范围 |
DC~1.45GHZ |
|
工作温度范围 |
-25℃~80℃ |
|
工作相对湿度(室温下) |
≤95% |
|
工作海拔高度 |
≤3000m |
厦门大恒科技有限公司(WWW.SPD-TH.COM) 版权所有 2008-2014